? ? ? ?10月20日,廣東省住房和城鄉建設廳發布《全省房屋市政工程“安全生產檢查月”專項行動實施方案》的文件通知,要求全省啟動開展房屋市政工程“安全生產檢查月”專項行動。該專項行動要深刻汲取今年以來廣東省房屋市政工程發生多起較大事故的慘痛教訓,嚴格落實主管部門安全監管責任和企業安全生產主體責任,強化提升施工安全管理水平和能力。
? ? ? ?具體內容如下:
? ? ? ?為深入學習貫徹習近平總書記關于安全生產重要指示批示精神,認真落實住房城鄉建設部和省委、省政府有關安全生產的工作部署,深刻汲取今年以來我省房屋市政工程發生多起較大事故的慘痛教訓,切實壓實參建各方的安全生產主體責任,進一步提升施工安全管理水平和能力,從即日起開展為期一個月的全省房屋市政工程“安全生產檢查月”專項行動,特制定本實施方案。
? ? ? ?一、總體要求
? ? ? ?堅持以習近平新時代中國特色社會主義思想為指導,深入學習貫徹習近平總書記關于安全生產的重要論述和重要批示指示精神,認真落實黨中央、國務院的決策部署,按照省委、省政府的工作要求,堅持以人民為中心的發展理念,強化“隱患就是事故、事故就要處理”意識,以識別大風險、消除大隱患為抓手,以杜絕重大事故、遏制較大事故、減少一般事故為目標,集中精力、人力、物力開展地毯式、拉網式安全生產大排查大整治,實現橫向到邊、縱向到底,覆蓋所有在建房屋市政工程工地,要對安全事故隱患“零容忍”,對存在事故隱患不整改的行為“零容忍”,壓實屬地責任和部門監管責任以及企業的主體責任,加強監管執法,嚴肅追責問責,確保全省房屋市政工程施工安全生產形勢穩定好轉,全力維護人民群眾生命財產安全和社會穩定。
? ? ? ?二、重點檢查任務
? ? ? ?(一)參建企業和項目開展自查自糾內容。
參建企業要深刻汲取省內外各類事故的慘痛教訓,改進安全生產工作上不認真、不扎實,走形式、走過場的問題,按照下列“一必須五到位”內容,對照附件1表格開展自查自糾自評,90分以上為“一必須五到位”達標。表格一式2份,由單位法人代表簽名并加蓋單位公章后,按照屬地管理原則,11月1日前報項目屬地主管部門1份,項目留存1份。自評不達標的企業,要自覺開展落實整改,整改存在困難或其他問題的,可向屬地主管部門咨詢求助,共同推進安全生產主體責任落實。
? ? ? ?1.必須依法建設。必須全面樹立法治觀念,守牢法律“底線”,嚴格依法參與建設。建筑施工企業從事施工活動必須符合法律、法規和國家標準或者行業標準規定的安全生產條件,并依法取得建筑施工安全生產許可,同時按照資質經營范圍合法開展生產經營活動。嚴禁違章指揮、違規作業、違反勞動紀律的“三違”行為,杜絕超能力、超強度、超定員組織生產的“三超”現象,新建、改建、擴建工程建設項目應依法按基本建設程序辦理施工許可和質量報監等手續。
? ? ? ?2.安全責任到位。建立健全安全生產管理機構,制定以主要負責人為核心的各層級、各部門及各類人員的崗位安全生產責任制,制定各類安全責任的考核標準及獎懲制度,并全面落實。在領導班子成員和管理人員中實行安全生產“一崗雙責”,強化安全管理力量,安全生產管理機構要依法配備法定人員和人數,確保安全管理人員到位和管理到位。
? ? ? ?3.安全投入到位。建筑施工企業要按規定及時足額提取安全措施費,設置專業帳戶實行專款專用,保證安全培訓教育、隱患排查治理、安全生產責任制考核獎勵、安全科技創新費用等安全生產的資金投入,不斷提升企業安全生產條件。依法依規購買意外傷害險和建筑施工安全責任險,為從業人員購買勞保用品,切實履行建筑施工企業安全生產社會責任。
? ? ? ?4.安全培訓到位。按照國家規定定期對所屬從業人員進行安全生產培訓教育,企業主要負責人、技術負責人、分管安全負責人、項目負責人、專職安全員必須取得“安管人員”合格證書;同時對新進人員、轉崗人員、新工藝人員進行有計劃的培訓教育;建筑施工特種作業人員要接受專業安全知識技能培訓,并取得特種作業資格證后,方可上崗。
? ? ? ?5.安全管理到位。嚴格執行安全生產制度管理、現場管理,落實各項安全檢查制度,扎實開展建筑施工安全生產標準化建設,積極推廣應用新技術、新工藝、新設備和新材料,提升建筑施工企業本質安全水平。全面組織開展好安全技術交底工作,明確工作風險和安全狀況,落實防范治理措施。必須對所有重大危險源進行標識和公示,建立健全安全監測監控系統,落實安全管理措施。必須嚴格動火等級審批程序,避免建筑施工火災的發生。必須嚴格執行危大工程施工方案論證程序,保證按論證的方案進行施工。
? ? ? ?6.應急救援到位。加強應急管理,根據企業所從事的經營范圍可能出現的事故,編制應急預案,建立應急救援機構、組建救援隊伍、配備相應的應急救援設備物資。要定期組織綜合應急演練、專項應急演練,同時對從業人員開展經常性的崗位應急處置措施的培訓和演練,提高應急響應能力,確保在發生事故后能及時高效處置,減少人員傷亡和財產損失。
? ? ?(二)地方主管部門檢查企業或項目內容。
? ? ? 1.企業自查自糾落實情況。按本方案要求,對參建企業開展自查自糾情況進行核查,對參建企業未報送自評表格,以及主管部門復核發現打分不屬實、企業虛報等情況的,主管部門要對相關不實企業開展安全生產條件核查并予以通報曝光,根據核查結果依法依規處理。
? ? ? 2.危大工程管控情況。按照《危險性較大的分項分部工程安全管理規定》(住建部37號令),落實我廳《危險性較大的分項分部工程安全管理專項執法檢查工作方案》(粵建電發〔2020〕14號)有關要求,特別是基坑支護、土方(隧道)開挖、腳手架、模板支撐體系、建筑起重機械等5類危大工程,以及專項施工方案的編制和實施等內容。對違反住建部37號令的違規行為,必須嚴格落實執法。
? ? ? ?3.落實我廳《關于組織開展房屋市政工程施工企業安全生產主體責任落實情況專項檢查的通知》(粵建質函〔2020〕437號)有關要求。包括貫徹學習習近平總書記有關安全生產重要論述精神、推行安全生產承諾制、落實企業主要負責人“安全生產八個一次”、推行全員安全教育培訓和班前會制度、建立健全全員全過程風險辨識評估制度、提升項目安全生產標準化水平等六方面要求。
? ? ? ?4.安全生產“一線三排”落實情況。要督促項目參建主體應按照“一線三排”的要求,在各自安全職責范圍內開展隱患排查、排序、排解,確保隱患有效整改到位。對發現存在重大隱患沒有及時整改的企業,倒查其建筑市場行為包括違法發包、轉包、違法分包及掛靠等行為,依據《建筑工程施工轉包違法分包行為認定查處管理辦法(試行)》的規定,從嚴從重依法予以行政處罰。
? ? ? ?5.對企業負責人和項目從業人員開展問詢教育。以企業負責人和項目關鍵崗位人員(項目經理、技術負責人、安全管理人員)為主,并輔以隨機抽選部分作業人員進行問詢,檢查是否認真領會習近平總書記有關安全重要論述的基本內容,以及是否清楚主管部門重點工作部署、安全生產“一線三排”、本項目危大工程范圍、安全管控措施、事故基本處置要求等情況。對應知應會情況存在掌握不全面、了解不深入等問題的,主管部門要將人員所在項目列入重點監管對象,加大安全生產檢查抽查頻次。?
? ? ? ?(三)我廳督導檢查內容。
? ? ? ?1.開展監督執法檢查。適時對各地開展全省房屋市政工程“安全生產檢查月”工作進行督促落實,由廳領導帶隊開展監督執法檢查。重點檢查以下四方面內容:
? ? ? ?(1)危大工程安全專項執法落實情況。重點檢查危大工程安全監管執法、嚴肅查處安全事故、對責任企業及個人實施處罰等情況。受檢主管部門需提供危大工程監管臺賬、整改通知、執法文書等佐證資料(包括文件、報道、影像、視頻等,下同)。
? ? ? ?(2)對安全生產4個100%措施的落實情況。重點檢查四個100%措施(對轄區內所有危大工程檢查執法率達100%,對發現的安全生產違法行為依法查處率達100%,對檢查發現存在安全生產問題企業的復查率達100%,對舉報各類安全生產違法行為的核實查處率達100%)組織部署、督促落實的佐證資料。
? ? ? ?(3)上級督導檢查發現隱患問題的回頭看。重點檢查國務院安全生產考核提出的問題整改落實,以及我廳年內開展安全生產督導檢查、危大工程交叉執法檢查及明查暗訪發現問題和隱患的整改落實等佐證資料。
? ? ? ?(4)城市建設安全專項整治三年行動開展情況。三年行動對住建系統部署的六大任務的部署及開展情況,包括工作方案、路線圖、兩清單、周報月報制度和六大任務的細化落實等佐證資料。
? ? ? ?2.開展暗查暗訪。通過購買服務方式,委托第三方機構隨機抽取房屋市政工程項目開展安全生產暗查暗訪,現場向企業反饋檢查意見,由主管部門跟蹤落實整改。重點檢查以下內容:
? ? ? ?(1)危大工程實體安全狀況。通過檢查基坑支護、土方(隧道)開挖、腳手架、模板支撐體系、建筑起重機械等危大工程,以及專項施工方案的編制和實施等內容,督促企業落實危大工程隱患排查整治,間接對屬地主管部門工作落實情況進行摸底。
? ? ? ?(2)企業安全生產主體責任落實情況。按照我廳《關于組織開展房屋市政工程施工企業安全生產主體責任落實情況專項檢查的通知》(粵建質函〔2020〕437號)要求,對通知要求的六方面工作進行現場核查。
? ? ? ?三、工作安排
? ? ? ?(一)全面部署,廣泛動員,自查自改(10月中、下旬)。
各地各主管部門要進一步研究細化“安全生產檢查月”專項行動的具體工作方案,明確檢查重點、工作分工和人員安排,廣泛宣傳發動,在開展部門自查自糾的同時,督促參建主體深入開展自查自改,全面開展風險和隱患排查。
? ? ? ?(二)深入檢查,嚴格執法,集中整治(10月下旬至11月上旬)。各地各主管部門要通過突擊檢查、明查暗訪、隨機抽查、回頭檢查、交叉檢查等多種方式,對本地區每一個項目乃至每一臺設備的安全生產隱患進行逐項排查、逐項整治,對排查的隱患問題要建立臺賬、閉環處理、嚴格執法。
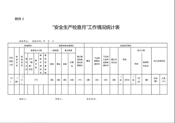
? ? ? ?(三)夯實基礎,閉合整改,鞏固提升(11月上、中旬)。“安全生產檢查月”期間,我廳將對市縣(區)主管部門分管安全生產的相關負責同志開展培訓,助力各地提升安全生產監管效能。檢查工作結束后,各地有關部門對整治完成的隱患開展“回頭看”檢查,對重大事故隱患進行驗收和跟蹤督促,鞏固安全生產檢查成效。同時,對檢查工作進行認真總結,研究采取針對性措施解決工作中發現的問題并加快推動有關工作進度,逐步完善工作長效機制,并將“安全生產檢查月”工作情況統計表(見附件2)及總結報告于11月20日前報送我廳。?
? ? ? ?四、工作要求
? ? ? (一)加強組織領導、周密部署推進。省住房城鄉建設廳成立房屋市政工程“安全生產檢查月”專項行動領導小組,由廳安委會主任為組長、各副主任為副組長,廳安委會成員單位主要負責人為小組成員,開展相關督導檢查工作。各地各主管部門要建立健全“安全生產檢查月”專項行動領導機制,由主要負責同志親自抓,明確責任,細化落實專項行動工作方案,組織轄區內所有參建企業主要負責人召開部署動員會,將主要任務、工作措施和完成標準及不作為的法律后果,傳達至每個企業的主要負責人。“安全生產檢查月”期間,各地各主管部門主要負責人要帶隊開展明查暗訪,分管負責同志要帶隊開展不少于2次明查暗訪(包括1次回頭看),重點查處企業工作部署不及時、自查自糾走過場、隱患排查有遺漏、隱患整改不閉合等行為。?
? ? ? ?(二)敢于動真碰硬,真正解決企業存在的問題。各地各主管部門要切實壓實工作責任,常態化開展線上線下監管執法,加強明查暗訪、隨機抽查、個案跟蹤督查,增強檢查的針對性;要堅持隱患就是事故的理念,對違反《危險性較大的分項分部工程安全管理規定》(住建部37號令)、存在隱患尚未造成事故的,要嚴格按罰則執法處罰,堅決防范遏制事故發生。對“安全生產檢查月”期間發生亡人事故的企業,各地各主管部門要依法從快頂格處理,并會同應急、公安、司法等部門加大“兩法”銜接追究力度。
? ? ? ?(三)強化對主管部門的責任追究,確保檢查效果。通過督導檢查,對安全生產4個100%措施未落實到位的,或危大工程安全隱患等重大隱患應發現未發現、應查處未查處、應整改未整改的,或經多次檢查后同類隱患問題仍普遍存在的,或事故仍然多發頻發、遲報、漏報甚至虛報事故的,一經查實,我廳將依法依規依紀嚴肅追責問責,并在本年度地市安全生產責任制考核中按規定扣分。各地級以上市主管部門要參照我廳做法,加大對縣、區(鎮街)的監督指導,推動各地建筑施工安全生產工作落地落實,促進我省建筑施工安全生產形勢持續穩定好轉。
文件附件:
1.建筑施工企業安全生產“一必須五到位”責任清單
(自查自糾用表)


2.“安全生產檢查月”工作情況統計表

以上信息源于廣東省住房和城鄉建設廳官網

